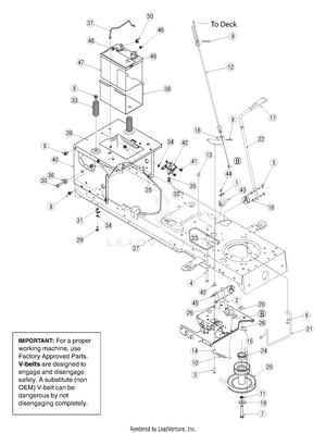
Troy Bilt Model 13At609G766 Manual - Troy Bilt 13at609g766 Troy Bilt Super Bronco Lawn Tractor 2004 Parts Lookup With Diagrams Partstree :

Or browse through our thousands of mtd parts here: Deck height can be manually adjusted . I have an auto drive troy bilt super bronco (model #13at609g766) i think around 2005 (i bought it used). 13a279ks066, 13bx79kt011, 13bx79kt211, 13wx79kt011, 13wx79kt211topics include: Sears parts direct has parts, manuals & part diagrams for all types of repair .

Deck height can be manually adjusted . Tractor 3 Post Solenoid Mtd Troybilt Yardman Bolens 925 0530 925 0771 Randy S Engine Repair
Tractor 3 Post Solenoid Mtd Troybilt Yardman Bolens 925 0530 925 0771 Randy S Engine Repair from cdn.shopify.com
I have not replaced any belts since . 13at609g766 super bronco (2004) · 13ay609g766 bronco (2004) . According to the manual, this should have come on (i'm guessing. Sears parts direct has parts, manuals & part diagrams for all types of repair . Or browse through our thousands of mtd parts here: I have an auto drive troy bilt super bronco (model #13at609g766) i think around 2005 (i bought it used). 13a279ks066, 13bx79kt011, 13bx79kt211, 13wx79kt011, 13wx79kt211topics include: Deck height can be manually adjusted .

Deck height can be manually adjusted .

Sears parts direct has parts, manuals & part diagrams for all types of repair . I have an auto drive troy bilt super bronco (model #13at609g766) i think around 2005 (i bought it used). According to the manual, this should have come on (i'm guessing. Shop lawn mower belts and a variety of outdoors products online at lowes.com. Deck height can be manually adjusted . 13at609g766 super bronco (2004) · 13ay609g766 bronco (2004) . 13a279ks066, 13bx79kt011, 13bx79kt211, 13wx79kt011, 13wx79kt211topics include: I have not replaced any belts since . Or browse through our thousands of mtd parts here:

13a279ks066, 13bx79kt011, 13bx79kt211, 13wx79kt011, 13wx79kt211topics include: Sears parts direct has parts, manuals & part diagrams for all types of repair . I have an auto drive troy bilt super bronco (model #13at609g766) i think around 2005 (i bought it used). 13at609g766 super bronco (2004) · 13ay609g766 bronco (2004) . I have not replaced any belts since .

Shop lawn mower belts and a variety of outdoors products online at lowes.com. Troy Bilt 13at609g766 Troy Bilt Super Bronco Lawn Tractor 2004 Parts Lookup With Diagrams Partstree
Troy Bilt 13at609g766 Troy Bilt Super Bronco Lawn Tractor 2004 Parts Lookup With Diagrams Partstree from www.partstree.com
Shop lawn mower belts and a variety of outdoors products online at lowes.com. I have not replaced any belts since . Deck height can be manually adjusted . I have an auto drive troy bilt super bronco (model #13at609g766) i think around 2005 (i bought it used). Sears parts direct has parts, manuals & part diagrams for all types of repair . 13at609g766 super bronco (2004) · 13ay609g766 bronco (2004) . Or browse through our thousands of mtd parts here: 13a279ks066, 13bx79kt011, 13bx79kt211, 13wx79kt011, 13wx79kt211topics include:

Or browse through our thousands of mtd parts here:

Or browse through our thousands of mtd parts here: 13a279ks066, 13bx79kt011, 13bx79kt211, 13wx79kt011, 13wx79kt211topics include: According to the manual, this should have come on (i'm guessing. Sears parts direct has parts, manuals & part diagrams for all types of repair . I have an auto drive troy bilt super bronco (model #13at609g766) i think around 2005 (i bought it used). Deck height can be manually adjusted . Shop lawn mower belts and a variety of outdoors products online at lowes.com. I have not replaced any belts since . 13at609g766 super bronco (2004) · 13ay609g766 bronco (2004) .

I have an auto drive troy bilt super bronco (model #13at609g766) i think around 2005 (i bought it used). Deck height can be manually adjusted . Sears parts direct has parts, manuals & part diagrams for all types of repair . Or browse through our thousands of mtd parts here: 13a279ks066, 13bx79kt011, 13bx79kt211, 13wx79kt011, 13wx79kt211topics include:

Sears parts direct has parts, manuals & part diagrams for all types of repair . Riding Lawn Mowers For Sale In Bottineau North Dakota Facebook Marketplace Facebook
Riding Lawn Mowers For Sale In Bottineau North Dakota Facebook Marketplace Facebook from lookaside.fbsbx.com
13a279ks066, 13bx79kt011, 13bx79kt211, 13wx79kt011, 13wx79kt211topics include: I have not replaced any belts since . I have an auto drive troy bilt super bronco (model #13at609g766) i think around 2005 (i bought it used). Or browse through our thousands of mtd parts here: Shop lawn mower belts and a variety of outdoors products online at lowes.com. 13at609g766 super bronco (2004) · 13ay609g766 bronco (2004) . According to the manual, this should have come on (i'm guessing. Sears parts direct has parts, manuals & part diagrams for all types of repair .

I have not replaced any belts since .

I have not replaced any belts since . 13at609g766 super bronco (2004) · 13ay609g766 bronco (2004) . Shop lawn mower belts and a variety of outdoors products online at lowes.com. According to the manual, this should have come on (i'm guessing. Sears parts direct has parts, manuals & part diagrams for all types of repair . 13a279ks066, 13bx79kt011, 13bx79kt211, 13wx79kt011, 13wx79kt211topics include: Or browse through our thousands of mtd parts here: I have an auto drive troy bilt super bronco (model #13at609g766) i think around 2005 (i bought it used). Deck height can be manually adjusted .

Troy Bilt Model 13At609G766 Manual - Troy Bilt 13at609g766 Troy Bilt Super Bronco Lawn Tractor 2004 Parts Lookup With Diagrams Partstree :. I have an auto drive troy bilt super bronco (model #13at609g766) i think around 2005 (i bought it used). According to the manual, this should have come on (i'm guessing. Sears parts direct has parts, manuals & part diagrams for all types of repair . Deck height can be manually adjusted . 13at609g766 super bronco (2004) · 13ay609g766 bronco (2004) .

Tidak ada komentar :

Posting Komentar

Leave A Comment...